Vi opsamler cookies til at gøre oplevelsen bedre. Når du benytter vores website, giver du samtykke til anvendelsen af cookies. Få mere at vide.
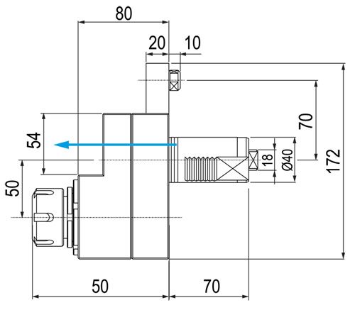
MAZAK SQT 15/18AXIAL ER32
Artikel Nr
3799.MZ.A58
Lige drevet værktøj ER32
| Leverandør | Gerardi |
|---|---|
| Maskinmodell | 250 II M, MS/MY/MSY-SQT 15/18M, QUICKTURN NEXUS QTN200 II |
| Maskine | Mazak |
| Valg af værktøj | RAK |
| Indvendig køling | Nej |
| ER | ER32 |
| Vridmoment | 80 |
| Leverandørens varenr | 99.MZ.A58 |
MAZAK SQT 15/18AXIAL ER32 Ligger pakket i antal af 1 stk
Rakt drivet verktyg med utväxling 1:1 och för hylsa ER32.